ECM貫流風機
產品簡介
1.ECM貫流風機是一種高效、可靠、節能的新型風機,其特點是采用了電子式能量調節器(ECM)技術,可實現多速度、電子風門和靜壓控製等功能,使其在多種應用場景下都有著極高的適應性。
2.風機的葉輪具有創新的設計,能夠大幅提高風機效率,降低噪音水平。此外,由於其采用了無刷電機技術,風機運轉穩定、壽命長、維護成本低。
3.產品優點:
● 高效節能:以往的傳統風機常常會產生大量的能量浪費,而ECM貫流風機則是通過調節風門和靜壓控製來合理利用能源,在保證正常工作的前提下,能夠顯著的降低能量消耗。
● 靜音運行:風機噪音是傳統風機經常被詬病的問題,但本類型風機可低噪音運行,使其更適合在商業和住宅建築內運行。
● 高度可控:由於其采用了電子式能量調節器技術,可以通過多速度、電子風門和靜壓控製來調節,以達到較好的效果。
技術參數
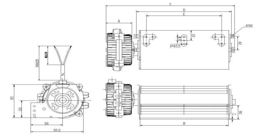
貫流型號(mm) | 電機 | 電壓(V) | 轉速 | 工作溫度 | A(mm) | B(mm) | C(mm) | D(mm) | E(mm) |
LB60*180 | ECM08 | AC110-230 | 1300-2500 | -30-+50℃ | 53 | 180 | 255 | 192 | 153.5 |
LB60*240 | ECM12 | AC110-230 | 1300-2300 | -30-+50℃ | 72 | 240 | 333 | 252 | 211.5 |
LB60*300 | ECM12 | AC110-230 | 1300-2300 | -30-+50℃ | 72 | 300 | 394 | 312 | 211.5 |
LB60*360 | ECM12 | AC110-230 | 1300-2300 | -30-+50℃ | 72 | 360 | 455 | 372 | 331.5 |
LB60*420 | ECM12 | AC110-230 | 1300-2300 | -30-+50℃ | 72 | 420 | 516 | 432 | 391.5 |
輸入功率
電機 | 轉速(RPM) | 輸入功率(W) | ||||
60*180(mm) | 60*240(mm) | 60*300(mm) | 60*360(mm) | 60*420(mm) | ||
ECM08 | 1300 | 2.3 | 3.1 | 4.2 | 6.5 | / |
ECM12 | 1.5 | 2.8 | 3.5 | 5.9 | 12.5 | |
ECM08 | 1550 | 3.8 | 5 | 6.1 | 12.5 | / |
ECM12 | 3.3 | 4.6 | 5.7 | 10.1 | 15.4 | |
ECM08 | 1800 | 4.8 | 6.7 | 9.1 | / | / |
ECM12 | 4.2 | 5.9 | 8 | 12.5 | 18.5 | |
ECM08 | 2300 | 8 | / | / | / | / |
ECM12 | 7.5 | 10.5 | 14.1 | 18.5 | 22 | |
風機風量
M | 轉速(RPM) | 輸入功率(W) | ||||
60*180(mm) | 60*240(mm) | 60*300(mm) | 60*360(mm) | 60*420(mm) | ||
ECM08 | 2300 | 8 | / | / | / | / |
ECM12 | 7.5 | 10.5 | 14.1 | 18.5 | 22 | |
FLOW風量(m³/h)0Pa | ||||||
145 | 230 | 290 | 330 | 390 | ||
外形尺寸








