DC午夜福利国产在线220mm
產品詳情
1.產品簡介
①型號:DCB220
②電機類型:DC
③材料:鋁
④認證:CCC CE
⑤絕緣等級:B
⑥工作溫度:-20—+50°
2.技術參數
| 額定電壓(V) | 輸入功率(W) | 額定電流(A) | 轉速(r/min) | 轉向 |
| DCB220D24 | 110 | 5.0 | 3000 | 77 |
| DCB220D48 | 110 | 2.5 | 3000 | 77 |
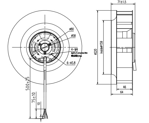
3.外形尺寸圖

4.風量風壓曲線圖

上一頁:DC午夜福利国产在线190mm
下一頁:DC午夜福利国产在线225mm






