單進風前傾式午夜福利国产在线YWFF280
1.產品簡介
①性能參數:風輪直徑為280mm,由4極和6極額定電壓為230/400V,頻率50Hz,分單相電容運轉和三相異步運轉電機組成,可輸送的最大風量為3700m3/h和2400m3/h。
②組成部件:高效外轉子交流電機、鍍鋅鋼板材質多翼前傾式離心葉輪、免維護深溝球滾珠軸承、靜電粉末噴塑轉子。
③技術特性:IP54或IP44防護等級,B級或F級絕緣等級,S1連續運作模式,可生產雙電壓電機,內置過載熱保護,美國UL和歐洲CE產品認證。
④產品特點:具有使用壽命長、免維護、節能效率、噪音低、轉速高、設計緊湊等特點。
⑤產品應用:適用於中央空調、新風係統、空氣淨化過濾設備、管道通風設備等,作為通風換氣的理想產品。
單進風前傾式午夜福利国产在线根據風機外形可分為蝸殼前傾式午夜福利国产在线和常規前傾式午夜福利国产在线兩種。蝸殼前傾式午夜福利国产在线共有120mm、133mm、140mm、150mm、160mm、180mm等六種。常規前傾式午夜福利国产在线有200mm、225mm、250mm、280mm、315mm、355mm、400mm、450mm等八種。
前一種風機主要有用鍍鋅鋼板或不鏽鋼板製成的蝸殼殼體、過載熱保護外轉子電機、高效離心葉輪三部分組成。後一種由多翼前傾式離心葉輪和帶有過載熱保護外轉子的電機組成。前一種電機主要與各種通風櫃、風機箱、抽油煙機、工業製冷係統、除塵機組等配套使用。後一種用於中央空調、新風係統、空氣淨化過濾設備、管道通風設備等。
午夜福利在线播放午夜福利国产在线的分類、產品應用、風機結構、設計選用說明、風機型號說明、產品認證詳見:外轉子午夜福利国产在线YWF係列產品概述
2.技術參數
| 型號 | 額定電壓 | 頻率 | 額定電流 | 輸入功率 | 轉速 | 最低可使用靜壓 | 風量 | 電容 | 噪音 | 曲線 |
| YWFF4E280 | 230 | 50 | 5.4 | 1.2 | 1400 | 50 | 3500 | 30 | 76 | ① |
| YWFF4D280 | Δ230/400Y | 50 | 4.3/2.5 | 1.35 | 1400 | 0 | 3700 | / | 76 | ① |
| YWFF6E280 | 230 | 50 | 2 | 0.46 | 900 | 0 | 2400 | 8 | 66 | ② |
| YWFF6D280 | Δ230/400Y | 50 | 1.5/0.9 | 0.47 | 900 | 0 | 2400 | / | 66 | ② |
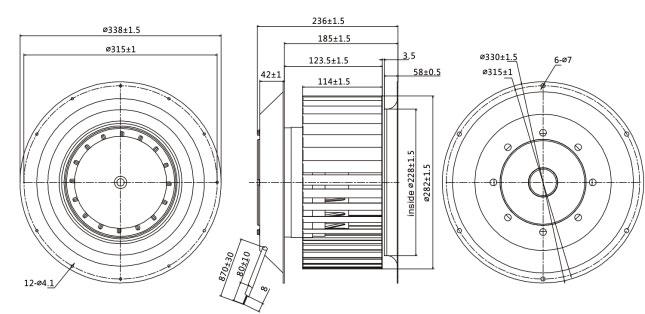
3.外形尺寸圖

4.風量風壓曲線圖









