單進風前傾式蝸殼午夜福利国产在线YWFF180
1.產品簡介
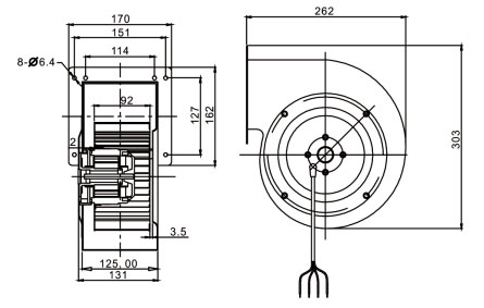
①性能參數:風輪直徑為180mm,額定電壓115V和230V兩種,頻率為50/60HZ,最大風量可達到890m3/h/和720m3/h。
②組成部件:高效外轉子交流電機、鍍鋅鋼板蝸殼、多翼前傾式離心葉輪、免維護深溝球滾珠軸承、靜電粉末噴塑轉子。
③技術特性:IP54或IP44防護等級,B級或F級絕緣等級,S1連續運作模式,可任意安裝,內置過載熱保護,美國UL和歐洲CE產品認證。
④特點優勢:具有使用壽命長、免維護、高效率、低功耗,高經濟性、設計緊湊、節省空間、美觀、低壓啟動等特點。
⑤產品用途:廣泛用於各種通風櫃、風機箱、抽油煙機、工業製冷係統、除塵機組等配套使用。
單進風前傾式午夜福利国产在线根據風機外形可分為蝸殼前傾式午夜福利国产在线和常規前傾式午夜福利国产在线兩種。蝸殼前傾式午夜福利国产在线共有120mm、133mm、140mm、150mm、160mm、180mm等六種,常規前傾式午夜福利国产在线有200mm、225mm、250mm、280mm、315mm、355mm、400mm、450mm等八種。
前一種風機主要采用鍍鋅鋼板或不鏽鋼板製成的蝸殼殼體、過載熱保護外轉子電機、高效離心葉輪等三部分組成,主要與各種通風櫃、風機箱、抽油煙機、工業製冷係統、除塵機組等配套使用。後一種風機由多翼前傾式離心葉輪和帶有過載熱保護外轉子的電機組成,多用於各種中央空調、新風係統、空氣淨化過濾設備、管道通風設備等。
午夜福利在线播放午夜福利国产在线的分類、產品應用、風機結構、設計選用說明、風機型號說明、產品認證詳見:外轉子午夜福利国产在线YWF係列產品概述
2.技術參數
| 型號 | 額定電壓 | 頻率 | 額定電流 | 輸入功率 | 轉速 | 最大風量 | 電容 | 噪音 | 曲線 |
| YWFF4E180L | 230 | 50/60 | 0.54/0.68 | 125/155 | 1140/1130 | 720/714 | 4 | 66/68 | ①② |
| YWFF4E180H | 115 | 60 | 1.8 | 210 | 1550 | 890 | 16 | 70 | ③ |
4.外形尺寸圖

3.風量風壓曲線圖

下一頁:EC軸流風機250mm







