EC軸流風機350mm
產品詳情
1.產品簡介
型號:ECG350A230
電機類型:EC
材料:風輪:PA66 塑料;轉子:鋼板
防護等級:IP44
絕緣等級:F
認證:CCC CE
安裝方式:任意
工作溫度:-20 - +50°
控製方式:0-10V/PWM/RS-485
轉速輸出
電子保護:過壓/堵轉
2.技術參數
| 電壓 | 輸入功率 | 頻率 | 速度 | 輸入電流 | 風量 |
| AC 1~200~270 | 142 | 50/60 | 1500 | 1.32 | 3310 |
| AC 1~100~130 | 142 | 50/60 | 1500 | 2.64 | 3310 |
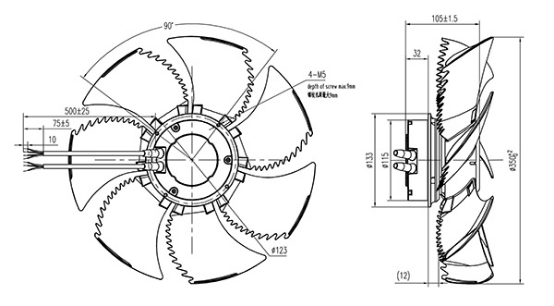
3.外形尺寸圖

4.風量風壓曲線圖

| No. | 頻率 | 電流 | 功率 | 轉速 | 風量 | 靜壓 |
| (Hz) | (A) | (W) | (r/min) | (m3/h) | (Static Pa) | |
| 1 | 50 | 0.74 | 89 | 1100 | 1635 | 60 |
| 2 | 50 | 0.68 | 80 | 1100 | 1986 | 40 |
| 3 | 50 | 0.61 | 71 | 1100 | 2237 | 21 |
| 4 | 50 | 0.55 | 63 | 1100 | 2500 | 0 |
| 5 | 50 | 1.30 | 166 | 1300 | 2419 | 73 |
| 6 | 50 | 1.25 | 158 | 1300 | 2580 | 61 |
| 7 | 50 | 1.17 | 148 | 1300 | 2791 | 41 |
| 8 | 50 | 1.08 | 133 | 1300 | 2992 | 20 |
| 9 | 50 | 0.99 | 122 | 1300 | 3172 | 0 |
| 10 | 50 | 1.32 | 166 | 1500 | 2926 | 42 |
| 11 | 50 | 1.25 | 156 | 1500 | 3139 | 21 |
| 12 | 50 | 1.14 | 142 | 1500 | 3310 | 0 |
*輸入電壓 AC 1~220V
上一頁:EC軸流風機300mm
下一頁:EC軸流風機400mm







