EC午夜福利国产在线133mm
產品詳情
1.產品簡介
①型號:ECF133
②電機類型:EC
③材料:鋁
④認證:CCC CE
⑤絕緣等級:B
⑥工作溫度:-20—+50°
2.技術參數
| 型號 | 額定電壓 | 輸入功率 | 頻率 | 轉速 |
| ECF133A230 | AC 200~270 | 70 | 50/60 | 2500 |
| ECF133A110 | AC 100~130 | 70 | 50/60 | 2500 |
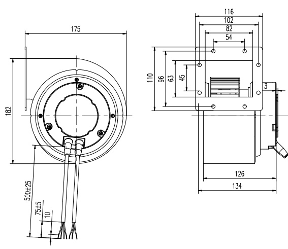
3.外形尺寸圖

4.風量風壓曲線圖

上一頁:沒有了
下一頁:EC午夜福利国产在线140mm

1.產品簡介
①型號:ECF133
②電機類型:EC
③材料:鋁
④認證:CCC CE
⑤絕緣等級:B
⑥工作溫度:-20—+50°
2.技術參數
| 型號 | 額定電壓 | 輸入功率 | 頻率 | 轉速 |
| ECF133A230 | AC 200~270 | 70 | 50/60 | 2500 |
| ECF133A110 | AC 100~130 | 70 | 50/60 | 2500 |
3.外形尺寸圖

4.風量風壓曲線圖

上一頁:沒有了
下一頁:EC午夜福利国产在线140mm
7×24小時服務熱線 0574-28825866