EC午夜福利国产在线280mm
產品詳情
1.產品簡介
①型號:ECB280A230
②電機類型:EC
③材料:鋁
④認證:CCC CE
⑤絕緣等級:F
⑥工作溫度:-20 —+50°
2.技術參數
| 額定電壓 | 輸入功率 | 頻率 | 轉速 | 風量 |
| 230 | 180 | 50/60 | 2174 | 1965 |
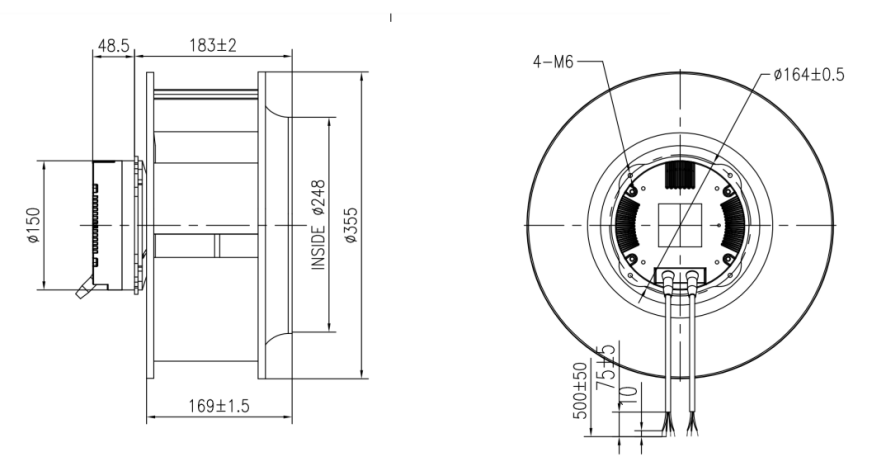
3.外形尺寸圖

4.風量風壓曲線圖

上一頁:EC午夜福利国产在线250mm

1.產品簡介
①型號:ECB280A230
②電機類型:EC
③材料:鋁
④認證:CCC CE
⑤絕緣等級:F
⑥工作溫度:-20 —+50°
2.技術參數
| 額定電壓 | 輸入功率 | 頻率 | 轉速 | 風量 |
| 230 | 180 | 50/60 | 2174 | 1965 |
3.外形尺寸圖

4.風量風壓曲線圖

上一頁:EC午夜福利国产在线250mm
7×24小時服務熱線 0574-28825866